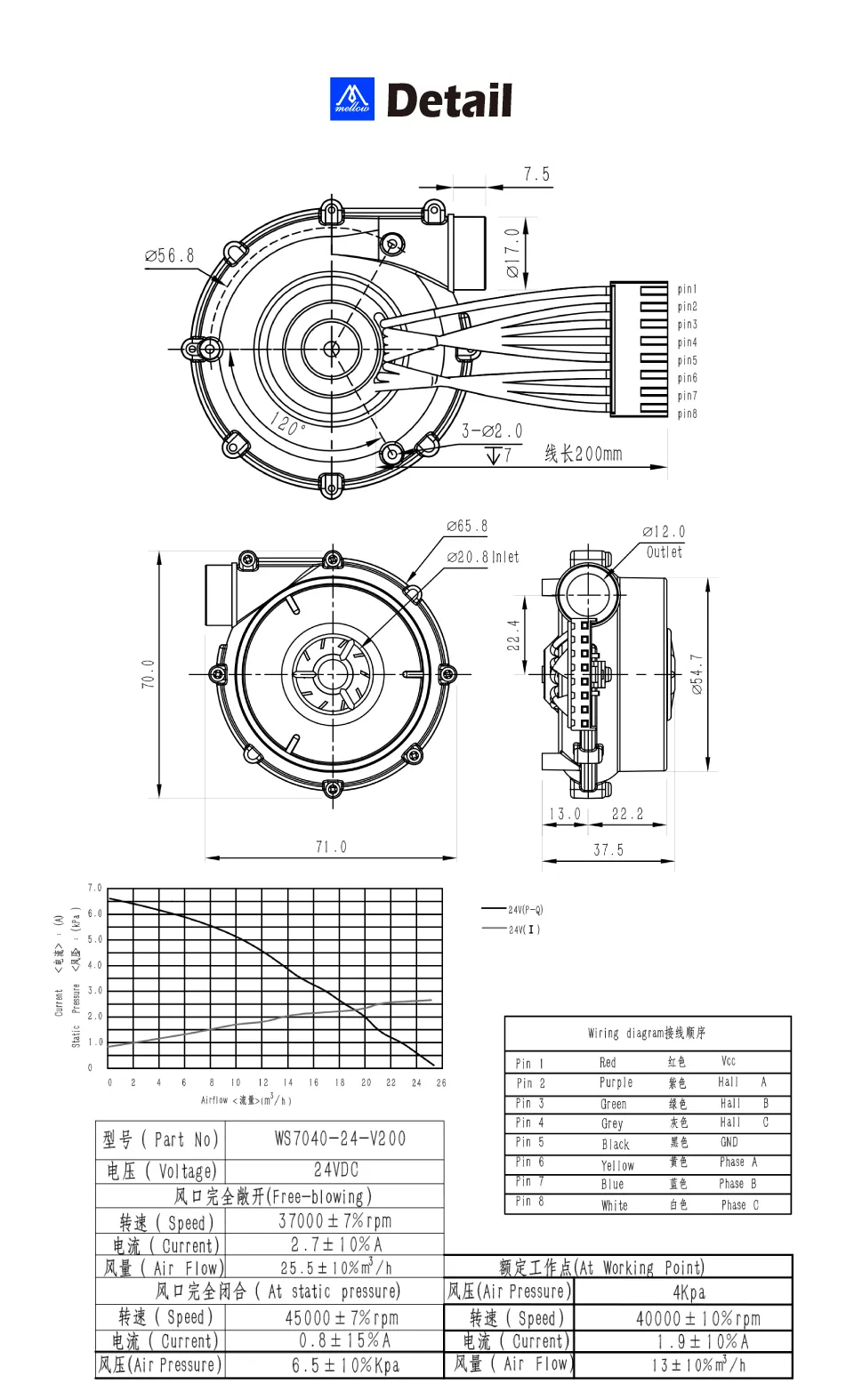
WS 7040


Характеристики продукта
- Максимальная скорость: 45000
- Максимальный поток: 14.7CFM
- Дополнительные аксессуары: воздушный фильтр, снижает уровень шума, предотвращает попадание посторонних предметов в вентилятор и повреждение лопастей, обеспечивает более тихую и стабильную работу комплекта
Технические характеристики

Предостережения
Предостережения
- Обратите внимание, что необходимо избегать попадания посторонних предметов в вентилятор, чтобы не повредить лопасти
- Обратите внимание, что максимальное входное напряжение вентилятора составляет 24V